Gallium-nitride transistors help make charging circuits smaller and more economical.
Jimmy Liu • GaN Systems Inc.
When it comes to fast-charging power adapters for consumer devices, high power density and high efficiency are now the two major technical requirements. With fast switching speed and low on-state resistance (Rdson), GaN transistors enable adapters that charge fast with high efficiency. Well-known mobile phone brands such as Huawei, Xiaomi, and OPPO, and more than 20 aftermarket brands, have launched GaN-based fast-charging adapter products.

For chargers below 75 W (30-65 W), quasi resonant (QR) flyback and active clamp flyback (ACF) are the main topologies, exhibiting efficiency close to 94% and power density at 20 W/in3. Chargers above 75 W (100-300 W) typically implement a two-stage topology which uses a power factor correction (PFC) circuit in the front stage and an LLC resonance circuit or other isolated dc/dc converter in the second stage. The target maximum efficiency is around 95%, and the power density should exceed 22 W/in3. Compared with traditional silicon MOSFETs, GaN transistors perform better.
The advantages of wide bandgap (WBG) semiconductors let GaN circuits operate at higher switching speed with lower switching losses. To compare GaN transistors with silicon MOSFETs of the same die size, GaN has lower Rdson and lower operating temperatures. GaN transistors can support lower driving gate charge (Qg), gate drain charge (Qgd), and output energy (Eoss) with lower Rdson.
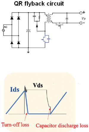
A QR flyback circuit topology is widely used in adapter circuits because it is economical and reliable. Boosting the switching frequency to reduce the size of passive components such as transformers is an effective way to improve the power density of the adapter. However, this approach will inevitably cause additional switching losses and a temperature rise. There are two types of QR flyback losses which are relative to the switching frequency. The higher the frequency, the higher the losses.

During the turn-off period, the drain current peaks and the transistor is turned off with hard switching. The result is current-to-voltage IV crossover losses. This switching crossover loss can be evaluated by the parameters for Qg and Qgd.
During the turn-on period, the current drops to around zero, so there is no IV crossover loss. However, at high ac input such as 230 Vac, the QR flyback circuit doesn’t execute a zero-voltage turn-on, and there’s a discharge loss due to the transistor’s parasitic capacitance. This capacitance discharging loss can be quantified by the Eoss.
Figure of Merit (FOM) is an important index to evaluate the on-state and switching properties of power transistors. The smaller the value, the higher the performance. Input FOM represents the voltage and current overlapping losses generated during switching under the same Rdson. It is the most important index for evaluating

transistors in a hard-switching circuit. With a similar Rdson (50-60 mΩ) the Qgd of GaN transistors is only 6% of that for silicon MOSFETs, leading to one-fifth the voltage and current overlapping losses.
The FOM of the QR flyback gives the discharge loss caused by the parasitic capacitance at 200 V under the same Rdson. With a similar Rdson, the Eoss of GaN transistors is only about 60% of that for silicon MOSFETs, so the discharge loss generated by the transistor’s parasitic capacitance is much lower.
Reliability
Design engineers focus on three factors when developing chargers: product reliability for a long service life and low failure rate; total cost, including BOM and production costs along with transistor costs; and time-to-market, with the goal of significantly shortening the design cycle.
Fast chargers ranging from 30 to 300 W can use 650-V 5×6-mm PDFN encapsulated GaN Systems transistors with Rdson from 150 (GS-065-011-1-L) to 450 mΩ (GS-065-004-1-L). GaN Systems starts with the Jedec standard for its qualification process and goes beyond it with multiples of extended test times. Additional reliability tests such as a switch dynamic life test at high temperature have been designed based on GaN transistor properties.

Drivers for GaN Systems devices have a turn-on voltage of around 6 V and a turn-off voltage from 0 to 10 V. The output voltage for conventional drive charger control ICs is generally 12 V. So the control IC output voltage must undergo a level shift. GaN Systems uses a low-cost EZDrive level shift circuit where four simple separation devices (RUD, CUD, ZDUD1 and ZDUD2) convert the drive voltage with no overshoot or oscillations in the VGS of the GaN Systems transistor.
The dv/dt drain-source drive voltage slope is controlled by the gate resistor Rg, thus improving the EMI design. Compared to other single-chip GaN schemes, the GaN Systems transistor plus EZDrive level shift circuit is more flexible and makes full use of the internally integrated driver of the control IC, keeping down cost. EMI can be optimized by controlling the dv/dt slope switching.

A reference design integrates a 650-V 5×6-mm PDFN-encapsulated GaN Systems transistor with a daughter card containing the EZDrive level shift circuit. This approach allows designers to quickly replace the silicon MOSFET devices such as those in TO220 packages to evaluate the GaN Systems transistors.
One example of a reference design for the fast-charging market is a 65-W high-power density (18.5 W/in3) PD charger equipped with a 650-V 150 mΩ GaN Systems device (GS-065-011-1-L). The QR circuit is inexpensive with the peak efficiency of nearly 94%. It meets the performance and standby power loss of CoC V5 Tier2, and the max temperature with case is below 65° C. The design has also passed safety standards and the EN55032 Class B EMI test for both conduction and radiation and can also support a variety of USB-C protocol outputs.

In another design, a 300-W high-power density ac/dc charger applies the GS66504B GaN Systems transistors in a synchronous PFC boost and LLC resonant topology with the peak efficiency up to 95% and power density at 34 W/in3. It meets the EN55032 Class B test on EMI conduction. The frequency of LLC resonant soft switching circuit is up to 500 kHz for high power density.





Leave a Reply